Random combined light keel machine could be used to make any types of light keels. The combination of two sets of machines is just for making the machine smaller and taking small space. When letting two machines working, it is much easier to watch and operate. The two different drawing profiles could be made at the same time.
The combination is random, they are could be wall angel roll forming machine, C stud roll forming machine, U track machine and others.
Here are machine pictures for your reference:
Advantage of combined keel machine:
1.One machine two drawing profiles.
2.Two drawing profiles could work at the same time.
3.Small size, taking up small space.
4.Lower cost and could share some common parts.
5.Easy to operate and easy to watch production.
6.Higher speed and long time to use.
7.Random combination.
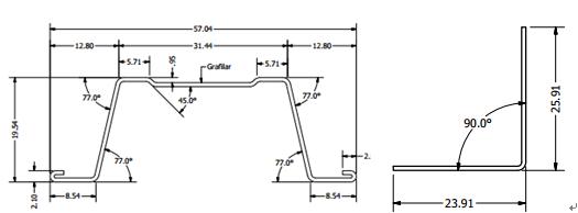
Taking combination of furring hat channel and wall angel roll forming machine for example:
Here is the drawing profile for your reference:

Furring channel and wall angel could be made by one machine, here is the machine pictures for your reference:

For the parameters of the machine same as the single machines:
Main machine parameters:
1.Voltage:380V/50HZ3Phase(as customer's request)
2.Roller fixer : Guide column
3.Frame: middle plate welded
4.Memorial arch frame type
5.Frame thickness: 25mm
6.Drive mode: gear
7.Material of rollers: GCr12MoV
8.Material of shafts: 45# steel with tempering
9.Diameter of shafts: φ40mm
10.Number of rollers : 10rollers
11.Main power: 4kw
12.Cyclical planetary gear speed reducer)
If you want to know more information about this machine, please contact us at any time.
This is the video of the random combined light keel roll forming machine:
Next: 80 90 100 120 Rack upright Roll Forming Machine



